
随着现代社会的发展,娱乐方式已经开始转向户外,很多娱乐设施也开始趋向于户外型。便携式蓝牙播放器就是娱乐户外性所代生的配备产品之一。由于具备充分小型便携化、音箱效
一、便携式蓝牙播放器备用锂电池设计要求:
播放器工作电流较小,但要求电池持续工作时间至少能满足设备连续工作8小时以上,电池应具备过温保护功能,并且要求成品电池通过UL2054认证要求,电池的重量要求控制在200g以内。为此我司采用进口三星电芯,该电芯具有高能量比、轻质量、小体积、高循环寿命、高安全性、高电压和一致性好等优点,锂电池组设计输出过电流保护值15A,最大持续工作电流2.2A,荷电容量2.2Ah,充分满足播放器的用电时间需求。具体设计要求参数如下:
1)锂电池组型号设计要求:18650-3S1P/2.2Ah/11.1V。
2)电路部分设计要求:
1、单节过充保护电压:4.35±0.25V
2、单节过充恢复电压:4.15±0.50V
3、单节过放保护电压:2.40±0.08V
4、单节过放恢复电压:3.00±0.10V
5、组合电池过流保护值(10ms):10~17A
6、组合电池过温保护值(可恢复):70±5℃
7、成品电池具备短路、反充保护。
3)电池循环寿命设计要求:300~500次(国标充放电标准)
4)电池外型尺寸设计要求:参考成品电池尺寸
二、便携式蓝牙播放器备用锂电池设计方案:
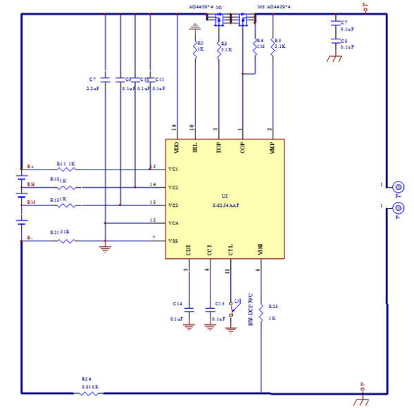
1)保护板(PCM):主要是对可充电锂电池组进行设计的保护线路,由于锂电池本身的化学特性,需要提供智能电量计算、过充、过放、短路、过流等保护功能,以避免引起燃烧、爆炸等危险。
2)保护IC(Protection IC):设计方案的主要保护功能芯片,对电芯进行过充、过放、过流、短路等功能的在线时时监测,使电芯在安全稳定高效的范围内工作。
3)温度开关:主要针对温度保护功能设计。当电池本身的温度因其它异常问题达到70±5℃范围时,温度开关动作,进行温度保护。
4)18650锂离子电芯:/18650/2200mAh/3.7V Li-ion cell(三星)。
5)场效应管(MOSFET):MOSFET管,在保护电路中起开关作用,永远使负载两端的电压不会升高也不会降低,保证电压稳定。
6)电池封装:PCV热缩
7)便携式蓝牙播放器备用锂电池设计方案原理图:
电芯及保护板图片



分容测试
生产设备
研发设备
测试设备
生产组装